Assale frenato AL-KO COMPACT per rimorchio/carro attrezzi 1350kg 1700mm 2150mm 5x112
- Assale frenato AL-KO COMPACT progettato per rimorchi pesanti e carri attrezzi, con una capacità di carico massima di 1.350 kg per un asse singolo e 2.700 kg per un asse tandem. Ha una distanza tra i fori di montaggio di 1700 mm, mozzi di 2150 mm.
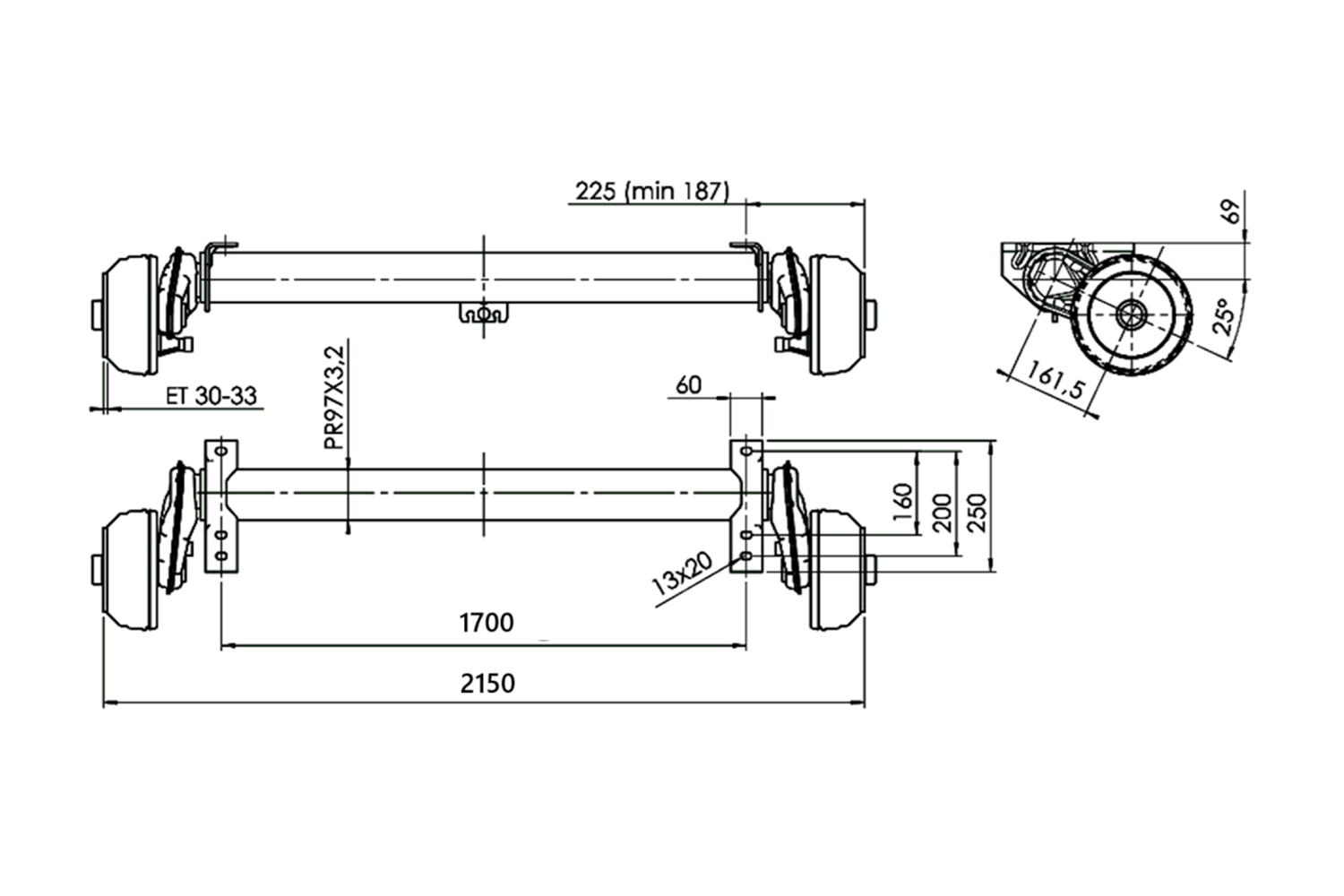
Assale frenato AL-KO COMPACT per rimorchio/carro attrezzi 1350kg 1700mm 2150mm 5x112
L'asse frenato del produttore AL-KO è destinato a rimorchi pesanti o autotreni con una capacità di carico massima di 1.350 kg per un asse singolo e 2.700 kg per un asse tandem . La spaziatura dei fori di montaggio è di 1700 mm, la spaziatura dei mozzi è di 2150 mm , il che consente una facile installazione in un'ampia gamma di veicoli. La configurazione dei bulloni 5x112 garantisce la compatibilità con un'ampia gamma di ruote disponibili sul mercato. La lunghezza della leva del forcellone è di 161,5 mm, il che garantisce stabilità e assorbimento ottimale degli urti, aumentando così la sicurezza di guida, anche a pieno carico.
Gli assi costituiscono il fondamento strutturale di ogni rimorchio, garantendone stabilità, durata e adeguato assorbimento degli urti durante il trasporto . Sono un elemento chiave che consente il trasporto sicuro di vari carichi. La scelta degli assi adeguati è importante perché influisce sulla sicurezza, sul comfort di guida e sulla durata dell'intero sistema di trasporto. Un adeguato assorbimento degli urti aiuta a proteggere le merci trasportate da eventuali danni, mentre un'adeguata capacità di carico garantisce stabilità durante la guida, soprattutto in condizioni difficili.

Assi per rimorchi – applicazioni versatili
Gli assali per rimorchi si distinguono per la loro versatilità di utilizzo, grazie alla quale trovano posto in diverse tipologie di veicoli, come rimorchi merci, rimorchi da campeggio, carri attrezzi e rimorchi per il trasporto di animali e attrezzature . Il loro design universale consente loro di adattarsi a varie condizioni di trasporto, indipendentemente dal tipo di carico trasportato. Questi assali garantiscono stabilità, sicurezza e comfort di guida , il che li rende una soluzione affidabile sia nell'uso quotidiano che per compiti più specializzati. Grazie alla possibilità di installare componenti aggiuntivi, come gli ammortizzatori, potrete ottimizzarne ulteriormente il funzionamento, adattando il rimorchio alle vostre singole esigenze.
Sospensioni indipendenti ed esenti da manutenzione
Grazie alle sospensioni indipendenti, ogni ruota è ammortizzata separatamente , il che significa che le imperfezioni della strada si ripercuotono solo sul lato in cui si trova. Questo sistema è esente da manutenzione e manutenzione, consentendo agli utenti di risparmiare sui costi di assistenza e manutenzione. Inoltre, il design dell'assale elimina il rischio di danni al passaruota e ad altri componenti dovuti all'eccessiva rotazione del forcellone, anche in caso di sovraccarico elevato.
Comfort di guida grazie ad un avanzato sistema di sospensioni
Gli assali moderni, come quelli con il sistema di sospensione esagonale AL-KO con rulli in gomma, offrono un comfort di guida molto più elevato . Le grandi frecce di deflessione e l'assorbimento degli urti più morbido rendono la guida del rimorchio più fluida e le vibrazioni vengono effettivamente ridotte . Rispetto ai sistemi di assi sterzanti standard, questa sospensione consente uno smorzamento più efficace delle irregolarità della strada, aumentando il comfort e la sicurezza dell'utente.

Design avanzato dei freni e facile manutenzione
Il design avanzato dei freni comprende assali con tamburi freno dotati di alette di raffreddamento che forniscono una migliore dissipazione del calore , aumentando l'efficienza del sistema frenante. Inoltre, gli assi e i meccanismi di frenatura sono imbullonati, il che consente una facile rimozione dell'intero meccanismo di frenatura dopo aver svitato le viti, facilitando notevolmente la manutenzione. Uno speciale interblocco consente inoltre di modificare la posizione di uscita del cavo del freno, adattandolo alle esigenze individuali dell'utente, aumentando la funzionalità del sistema.

Cuscinetti esenti da manutenzione e facile installazione
Gli assali sono dotati di doppi cuscinetti a sfere a contatto obliquo (cuscinetti compatti), progettati per funzionare per 250.000 km. Sono lubrificati a vita con uno speciale grasso idrorepellente che impedisce l'ingresso di contaminanti. Ulteriori protezioni, come le guarnizioni a doppio mozzo, proteggono i meccanismi dall'acqua e dallo sporco. Grazie alla coppia di serraggio standardizzata, il montaggio dell'asse è rapido e semplice.
Protezione ottimale contro la corrosione
Il profilo dell'asse, il telaio e l'alloggiamento dei dispositivi di inerzia sono protetti dalla corrosione grazie alla zincatura a caldo , che garantisce protezione per un periodo di 10 anni. Gli elementi in acciaio che richiedono un'elevata precisione sono zincati, garantendo 5 anni di protezione contro la corrosione. Per le parti con la massima precisione viene utilizzata la zincatura galvanica, che le protegge per 4 anni. Questi diversi metodi di zincatura proteggono efficacemente tutti i componenti, garantendo loro una lunga durata e resistenza ai fattori esterni.
Acquistando un qualsiasi prodotto della nostra gamma, riceverete una garanzia di 2 anni. In questo modo potrete utilizzarlo senza preoccuparvi delle conseguenze di un eventuale guasto. Per garantire la vostra soddisfazione, abbiamo reso il processo di reclamo il più semplice possibile: tutto ciò che dovete fare è compilare e inviare il modulo disponibile sul nostro sito web.
Avete domande sulla scelta o sull'utilizzo dei nostri prodotti? Contattateci! Gli specialisti Unitrailer saranno lieti di fornirvi tutte le informazioni di cui avete bisogno.

















